| Состояние | Хорошее |
Связь и все вопросы по контактному телефону. Звоните!
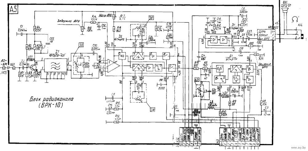
БРК-10-2 (выпаяна микросборка УПЧЗ-2) Рабочий
Схема для примера - отличается от 10-2
Можно перестроить с пч 38 мгц на другую частоту.
МОГУ ОБМЕНЯТЬ НА СКМ-24 с современными кремниевыми транзисторами кт3127-кт3128 (НЕ германиевыми)
|
|
доставка Белпочтой от 5 руб (по чеку отправки мелким пакетом, Европочтой не отправляю!)
Похожие лоты
Вход
Регистрация
Восстановление пароля
Восстановление пароля
Согласие на обработку персональных данных
Согласно Закону Республики Беларусь «О защите персональных данных» и в соответствии с Политикой конфиденциальности, для дальнейшего использования Сайта / Приложения вам необходимо подтвердить своё согласие на обработку персональных данных.

